Hotline hỗ trợ
0961950059
Cầu nâng 2 trụ âm sàn
Số 1, Lê Đức Thọ, P.Tân Thới Hiệp, TP.HCM
0961950059
vhungsaigon@gmail.com
Cầu nâng âm sàn Nussbaum Germany | Giải pháp nâng xe hiện đại cho xưởng dịch vụ cao cấp
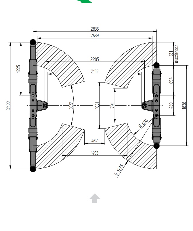
Nussbaum TopLift 2.35 TLK-L là dòng cầu nâng âm sàn 2 piston (2-piston inground lift) cao cấp đến từ Nussbaum – Germany, thương hiệu thiết bị nâng nổi tiếng với tiêu chuẩn an toàn và độ bền hàng đầu châu Âu. Với tải trọng 3.5 tấn và thiết kế âm sàn tinh gọn, TopLift 2.35 TLK-L là lựa chọn lý tưởng cho các:
Xưởng dịch vụ ô tô tiêu chuẩn hãng
Trung tâm sửa chữa – bảo dưỡng cao cấp
Garage sang trọng, detailing chuyên nghiệp
Khu vực làm gầm – treo – thay lốp
Cầu nâng sử dụng piston thủy lực lực nâng mạnh, chạy êm, không rung, an toàn tuyệt đối khi thao tác các dòng xe sedan, SUV, CUV và xe gầm cao.

Việc đặt toàn bộ hệ thống piston và khung nâng dưới mặt nền giúp khu vực kỹ thuật thông thoáng, sạch sẽ và an toàn hơn.
Đặc biệt phù hợp với layout garage sang trọng, showroom hoặc bay sửa chữa nhanh.
Cấu trúc piston đường kính lớn, lực nâng khỏe
Hoạt động êm ái, không giật
Độ bền cao, chống rò rỉ dầu, vận hành liên tục ổn định
Tay nâng có thể xoay linh hoạt
Telescopic 2 lần → tiếp cận điểm nâng dễ dàng
Phù hợp sedan, SUV, xe gầm thấp
Khóa an toàn thủy lực tự động
Van chống nổ ống dầu (burst valve)
Mạch điều khiển chuẩn EU – chống kẹt, chống quá tải
Hạ xe bằng van điều áp mềm, tránh sốc tải
Hệ thống cassette pre-assembled giúp giảm thời gian thi công, đảm bảo độ chính xác khi âm xuống nền bê tông.
| Thông số | Giá trị |
|---|---|
| Model | TopLift 2.35 TLK-L |
| Loại cầu | Cầu nâng âm sàn 2 piston thủy lực |
| Tải trọng nâng | 3500 kg |
| Chiều cao nâng hữu dụng | 2048 mm |
| Chiều cao di chuyển (move-in height) | 90 mm |
| Piston diameter | 123 mm |
| Khoảng cách 2 piston | 2530 mm |
| Chiều sâu lắp đặt (installation depth) | 2408 mm |
| Nguồn điện | 400V / 16A |
| Công suất motor | 3.0 kW |
| Chiều dài dây điều khiển | 11 m |
| Thời gian nâng | ≈ 35 s |
| Thời gian hạ | ≈ 35 s |

Tương thích với tiêu chuẩn của Mercedes, BMW, Audi, Volkswagen, Toyota, Honda…
Thiết kế âm sàn đẹp, phù hợp không gian chăm sóc xe sang.
Khoảng tiếp cận rộng, thao tác kỹ thuật nhanh chóng.
Tối ưu thẩm mỹ – tăng tính chuyên nghiệp.
Không vướng cột → tiện di chuyển xe + thiết bị khác.
35 giây nâng/hạ → phù hợp xưởng lưu lượng xe cao.
Cấu trúc theo tiêu chuẩn Germany, vận hành bền bỉ 10–15 năm.
Hệ thống piston thủy lực + van chống nổ đạt chuẩn CE.
Bộ stacking adapter extension 89 / 127 mm
Adapter hình V (V-shape)
Adapter hình U (U-form)
Wheel fork adapter
Rim protector (bảo vệ vành)
Phù hợp nhiều loại xe khác nhau, đặc biệt xe gầm thấp hoặc SUV.
Nhập khẩu chính hãng Germany – đầy đủ CO/CQ
Kỹ thuật chuyên sâu lắp đặt inground
Thiết kế layout xưởng miễn phí
Bảo hành – bảo trì nhanh toàn quốc
Định vị thương hiệu Green & Smart Auto Care – Tân Phát Etek